
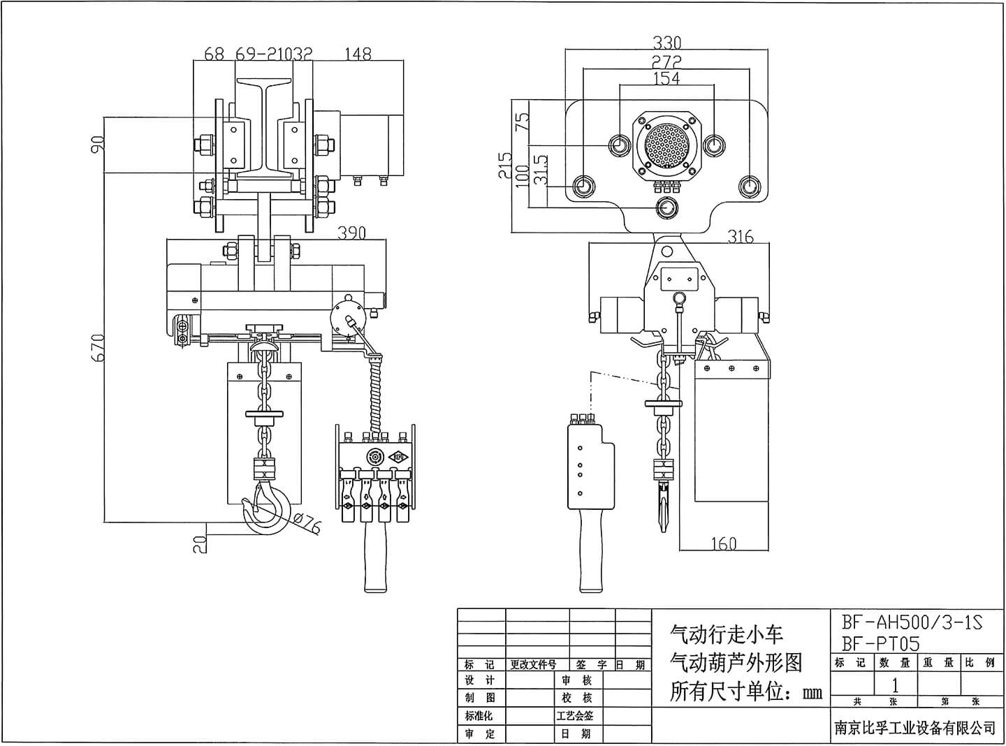
BF-AH500/3-1S
氣動葫蘆型號:BF-AH500/3-1S
BF:比孚公司首字母拼音縮寫
AH:airhoist氣動葫蘆首字母縮寫
500:起重量(kg)
3:行程距離(m)
s:鏈條行數
氣動行走小車型號:BF-PT05
BF:比孚公司首字母拼音縮寫
P:pneumatic首字母縮寫
T:額載載重(t)
| 項目 | 性能指標 | 單位 |
| 型號 | BF-AH500/3-1S | |
| 防爆證書 | II 2GD Ex h IIC T6 Gb Ex h IIIC T80℃ Db |
氣體粉塵 |
| 額定起重量 | 500 | kg |
| 標準提升高度 | 3.0(可根據客戶需求定制) | m |
| 額載提升速度 | 12 | m/min |
| 額載下降速度 | 25 | m/min |
| 空載提升速度 | 22 | m/min |
| 空載下降速度 | 23 | m/min |
| 工作氣壓 | 0.4-0.7 | Mpa |
| 耗氣量 | 1.3 | m³/min |
| 外接氣管接頭 | RC1/2 | in |
| 外接軟管尺寸(內徑/外徑) | 12/16 | mm |
| 鏈條行數 | 1 | n |
| 鏈條尺寸材質 | 6.3*19 | mm |
| 噪聲 | 85 | dBA |
| 凈重 | 22 | Kg |
| 運行方式 | 氣動 | |
| 過載保護 | 有 | |
| 斷氣保護 | 有 |
| 項目 | 性能指標 | 單位 |
| 型號 | BF-PT05 | |
| 配套氣動葫蘆型號 | BF-AH500/3-1S | |
| 額定負載 | 0.5 | t |
| 額載行走速度 | 12 | m/min |
| 工作氣壓 | 0.4-0.7 | Mpa |
| 滿載耗氣量 | 0.4 | m³/min |
| 適用鋼梁寬度 | 64-203 | mm |
| 外接軟管尺寸(內徑/外徑) | 6/8 | mm |
| 凈重 | 29 | Kg |
| 噪聲 | 85 | dBA |
| 運行方式 | 氣動 | |
| 過載保護 | 有 | |
| 斷氣保護 | 有 | |
| 緊急停車裝置 | 有 |

新能源動力設備,人機工程學裝卸系統
行走式氣動葫蘆(防爆氣動葫蘆)
行走式氣動葫蘆優點與特性:
1、滿負荷運行,實現長時間連續作業。
2、氣動馬達由于空氣壓力的作用,不受粉塵、濕氣和腐蝕性氣體影響,是鑄造廠和電鍍廠應用的理想選擇。
3、氣動葫蘆不會產生電擊危險,適合在化工廠、制藥廠和精煉廠等高度易燃的環境中使用。
氣動行走小車優點與特性:
1、BF氣動小車可與BF系列氣動葫蘆配套使用,實現前后左右有動力運行。
2、氣動行走小車是通過氣動馬達驅動減速器來實現運行的,可配套全系列氣動葫蘆。
•具有常閉式剎車功能
•具有斷氣保護功能
•具有無極變速功能
•可調節輪距,適應多種規格工字鋼或H型鋼
標準額定工作氣壓是0.4Mpa-0.7Mpa(56-100psi)